


产品名片:
HRW150高温高压圆盘式疏水阀是用于蒸汽管网及设备中,能自动排出凝结水、空气及其它不凝结气体,并阻水蒸汽泄漏的阀门。疏水阀的功能 使用和利用蒸汽的设备上只需要蒸汽。在这种设备内肯定要产生凝结水,凝结水则成为有害的流体,同时还混入了空气和其他不可凝气体,成为引起设备产生故障和降低性能的原因。
疏水阀用于蒸汽管网及设备中,能自动排出凝结水、空气及其它不凝结气体,并防止水蒸汽泄漏的疏水器,疏水阀也叫阻汽排水阀。疏水阀基本的工作原理就是利用蒸汽和水的重量差和温度差来实现疏水的目的。该阀在蒸汽加热系统中起到阻汽排水作用,选择合适的疏水阀,可使蒸汽加热设备达到最高工作效率。要想达到最理想的效果,就要对各种类型的工作性能、特点进行全面的了解。品种很多,各有不同的性能。
设计标准:
HRW150高温高压圆盘式疏水阀主要设计标准:
设计与制造:GB12235
法兰尺寸:GB9113
结构长度:GB12221
检验与实验:GB/T13927
性能规范:
HRW150高温高压圆盘式疏水阀主要性能规范:
阀门材质有:铸钢、铬钼钢WC6、WC9、不锈钢304等;
阀门规格:DN15-DN150;压力:1.0-10.0Mpa;
驱动方式:自动;
标准:国标GB、HB,美标API 、ANSI。
零件材料:
HRW150高温高压圆盘式疏水阀主要零件材料:
|
零件名称 |
材料 |
|
阀体、阀盖、阀瓣 |
WC6 |
|
阀杆 |
WC6 |
|
阀杆螺母 |
WC6 |
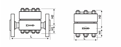
尺寸参数:
HRW150高温高压圆盘式疏水阀主要尺寸参数:
|
产品型号 |
口径 |
连接方式 |
最高允许温度℃ |
阀体材质 |
外形尺寸 | |||
|
L |
H1 |
H2 |
W | |||||
|
HRF3 |
15 |
法兰 |
500 |
WC6 |
230 |
78 |
35 |
135 |
|
20 |
法兰 |
500 |
WC6 |
230 |
78 |
35 |
135 | |
|
25 |
法兰 |
500 |
WC6 |
230 |
78 |
35 |
135 | |
|
HRW3 |
15 |
承插焊 |
500 |
WC6 |
130 |
78 |
35 |
135, |
|
20 |
承插焊 |
500 |
WC6 |
130 |
78 |
35 |
135 | |
|
25 |
承插焊 |
500 |
WC6 |
130 |
78 |
35 |
135 | |
|
HR3 |
15 |
内螺纹 |
500 |
WC6 |
130 |
78 |
35 |
135 |
|
20 |
内螺纹 |
500 |
WC6 |
130 |
78 |
35 |
135 | |
|
25 |
内螺纹 |
500 |
WC6 |
130 |
78 |
35 |
135 | |
|
HRF150 |
15 |
法兰 |
500 |
WC6 |
130 |
122 |
58 |
228 |
|
20 |
法兰 |
500 |
WC6 |
400 |
122 |
58 |
228 | |
|
25 |
法兰 |
500 |
WC6 |
400 |
122 |
58 |
228 | |
|
32 |
法兰 |
500 |
WC6 |
400 |
122 |
58 |
228 | |
|
40 |
法兰 |
500 |
WC6 |
400 |
122 |
58 |
228 | |
|
50 |
法兰 |
500 |
WC6 |
400 |
122 |
58 |
228 | |
|
HRW150 CS49H-160V |
15 |
承插焊 |
500 |
WC6 |
220 |
122 |
58 |
228 |
|
20 |
承插焊 |
500 |
WC6 |
220 |
122 |
58 |
228 | |
|
25 |
承插焊 |
500 |
WC6 |
220 |
122 |
58 |
228 | |
|
32 |
承插焊 |
500 |
WC6 |
320 |
122 |
58 |
228 | |
|
40 |
承插焊 |
500 |
WC6 |
320 |
122 |
58 |
228 | |
|
50 |
承插焊 |
500 |
WC6 |
320 |
122 |
58 |
228 | |

结构特点:
HRW150高温高压圆盘式疏水阀主要结构特点:
1. 阀内部装有自动吹除装置。新型皇冠式阀片、密封极为可靠。蒸气保温装置,高阀节能。
2. 可迅速排出设备起动时的空气凝结水,排量大,漏气率小。、
3. 蚀性强,动作可靠,经久耐用。
4. 在工作压力范围内,无需调整,节能效果显著。
订货须知:
1、①产品名称与型号②公称直径③阀体材质④公称压力⑤使用介质⑥连接方式⑦使用温度⑧是否带附件以便我们为您正确选型。
2、如有特殊要求时请在订购产品时注明
3、若已经由设计单位选定的型号,请按型号直接向我司销售部订购。
4、当使用的场合非常重要或环境比较复杂时,请您尽量提供设计图。
企业宣传:
上海飞塔阀门有限公司为阀门业界内的新兴企业,我司本着“更高质量的产品,更优势的价格,更人性化的服务”为企业宗旨,为广大客户倾情服务。上海飞塔专业生产各种规格阀门,产品主广泛用于石油、化工、冶金、电力、制药、给排水等行业,产品深受客服的青睐和好评。公司竭诚欢迎社会各界人士光临咨询,建立长期稳定的合作关系,携手共创辉煌的明天。

