


产品名片:
飞塔阀门生产的TD41W型手柄操作通风蝶阀采用钢板焊接制造,具有结构尺寸短,重量轻,安装方便等特点。该阀驱动力矩小,启闭灵活,操作方便。阀体上设置油密封挡圈,密封副之间无可见间隙,泄漏率小。蝶板与阀体间的膨胀间隙大,能有效防止因热涨冷缩造成的卡死现象。本阀可配备多种驱动装置,如手动装置、蜗轮传动装置、气动装置、电动装置。通风蝶阀广泛用于治金、石化、电力、建材、矿山等工业管线,对介质气体气控制或调节作用。
蝶阀是用圆形蝶板作启闭件并随阀杆转动 来开启、关闭和调节流体通道的一种阀门。蝶阀的蝶板安装于管道的直径方向。在蝶阀阀体圆柱形通道内,圆盘形蝶板绕着轴线旋转,旋转角度为0°~90°之间,旋转到90°时,阀门则程全开状态。
蝶阀的结构特点 蝶阀具有结构简单、体积小、重量轻、材料耗用省,安装尺寸小,开关迅速、90°往复回转,驱动力矩小等特点,用于截断、接通、调节管路中的介质,具有良好的流体控制特性和关闭密封性能。蝶阀处于完全开启位置时,蝶板厚度是介质流经阀体时唯一的阻力,因此通过该阀门所产生的压力降很小,故具有较好的流量控制特性。蝶阀有弹密封和金属的密封两种密封型式。弹性密封阀门,密封圈可以镶嵌在阀体上或附在蝶板周边。 采用金属密封的阀门一般比弹性密封的阀门寿命长,但很难做到完全密封。金属密封能适应较高的工作温度,弹性密封则具有受温度限制的缺陷。 如果要求蝶阀作为流量控制使用,主要的是正确选择阀门的尺寸和类型。蝶阀的结构原理尤其适合制作大口径阀门。
蝶阀不仅在石油、煤气、化工、水处理等一般工业上得到广泛应用,而且还应用于热电站的冷却水系统。 常用的蝶阀有对夹式蝶阀、法兰式蝶阀、对焊式蝶阀三种。对夹式蝶阀是用双头螺栓将阀门连接在两管道法兰之间;法兰式蝶阀是阀门上带有法兰,用螺栓将阀门上两端法兰连接在管道法兰上;对焊式蝶阀的两端面与管道焊接连接。 蝶板的流线形设计,使流体阻力损失小,可谓是一种节能型产品。 阀杆为通杆结构,经过调质处理,有良好的综合力学性能和抗腐蚀性,抗擦伤性。蝶阀启闭时阀杆只作旋转运动而不作升降运行,阀杆的填料不易破坏,密封可靠。与蝶板锥销固定,外伸端为防冲出型设计,以免在阀杆与蝶板连接处意外断裂时阀杆崩出。
设计标准:
TD41W型手柄操作通风蝶阀设计与制造标准:
|
制造标准 |
GB/T 122387-89 |
|
法兰标准 |
GB9113-2000、GB17241.6-1998 |
|
结构长度标准 |
GB12221-89 |
|
检验标准 |
GB/T 13927-92 |
性能规范:
TD41W型手柄操作通风蝶阀主要性能规范:
|
公称压力(MPa) |
0.05MPa |
介质温度 |
-30℃~-350℃ |
|
强度试验 |
0.1MPa |
适用介质 |
冷热风、烟气 |
|
介质流速 |
25m/s |
泄漏率 |
3% |
零件材料:
TD41W型手柄操作通风蝶阀主要零件材料:
|
零件名称 |
阀体 |
阀板 |
阀轴 |
|
材料 |
碳钢 |
碳钢 |
碳钢、不锈钢 |
结构特点:
TD41W型手柄操作通风蝶阀主要结构特点:
1、本阀采用双偏心结构,具有越关越紧的密封功能,密封性能可靠。
2、密封副材料选用不锈钢和丁腈耐油橡胶配对,使用寿命长。
3、橡胶密封圈即可位于阀体上,也可以位于蝶板上,可适用不同特点的介质,供用户选择。
4、蝶板采用框架结构,强度高,过流面积大,流阻小。
5、整体烤漆、能有效地防止锈蚀且只要更换密封阀座密封材料,就可使用于不同介质。
6、本阀具有双向密封功能,安装时不受介质流向的控制,也不受空间位置的影响,可在任何方向安装。
7、本阀结构独特,操作灵活,省力,方便。

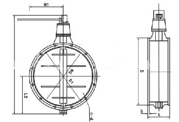
尺寸参数:
TD41W型手柄操作通风蝶阀主要尺寸参数:
|
DN |
D |
D1 |
L |
L1 |
n-Фd |
b |
H1 |
|
150 |
240 |
210 |
100 |
377 |
8-12 |
8 |
250 |
|
200 |
290 |
260 |
100 |
426 |
8-12 |
8 |
250 |
|
250 |
345 |
310 |
120 |
485 |
8-12 |
10 |
350 |
|
300 |
405 |
370 |
120 |
539 |
8-14 |
10 |
350 |
|
350 |
455 |
420 |
140 |
539 |
12-18 |
10 |
350 |
|
400 |
505 |
470 |
140 |
652 |
12-18 |
10 |
450 |
|
450 |
570 |
530 |
160 |
781 |
16-18 |
10 |
450 |
|
500 |
620 |
580 |
160 |
835 |
16-18 |
10 |
450 |
|
600 |
720 |
680 |
180 |
946 |
16-18 |
12 |
550 |
|
700 |
820 |
780 |
180 |
1044 |
16-18 |
12 |
550 |
|
800 |
920 |
880 |
200 |
1159 |
16-18 |
12 |
550 |
订货须知:
1、①产品名称与型号②公称直径③阀体材质④公称压力⑤使用介质⑥连接方式⑦使用温度⑧是否带附件以便我们为您正确选型。
2、如有特殊要求时请在订购产品时注明
3、若已经由设计单位选定的型号,请按型号直接向我司销售部订购。
4、当使用的场合非常重要或环境比较复杂时,请您尽量提供设计图。
企业宣传:
上海飞塔阀门有限公司为阀门业界内的新兴企业,我司本着“更高质量的产品,更优势的价格,更人性化的服务”为企业宗旨,为广大客户倾情服务。上海飞塔专业生产各种规格阀门,产品主广泛用于石油、化工、冶金、电力、制药、给排水等行业,产品深受客服的青睐和好评。公司竭诚欢迎社会各界人士光临咨询,建立长期稳定的合作关系,携手共创辉煌的明天。

