


产品名片:
飞塔阀门生产的GIQ-B/AB型系列高真空气动蝶阀是用压缩空气为动力,通过气动装置改变气路方向,控制执行气缸来驱动蝶阀,接通或切断真空管路中的气流。适用的工作介质为空气及非腐蚀性气体。
注:GIQ-B/AB机构:可选配反馈信号装置。
蝶板由阀杆带动,若转过90°,便能完成一次启闭。改变蝶板的偏转角度,即可控制介质的流量。常用的蝶阀有对夹式蝶阀和法兰式蝶阀两种。对夹式蝶阀是用双头螺栓将阀门连接在两管道法兰之间,法兰式蝶阀是阀门上带有法兰,用螺栓将阀门上两端法兰连接在管道法兰上。
设计标准:
GIQ-B/AB型系列高真空气动蝶阀设计与制造标准:
|
设计与制造 |
连接法兰 |
检验与试验 |
|
JB/T4079-91 |
JB/T919 GB/T6070 |
JB/T4079 JB/T6446 |
性能规范:
GIQ-B/AB型系列高真空气动蝶阀主要性能规范:
|
公称通径(mm) |
40 |
50 |
65 |
80 |
100 |
125 |
150 |
200 |
250 |
300 |
350 |
400 |
450 |
500 |
600 |
800 |
|
连接法兰 |
JB/T919 GB/T6070 | |||||||||||||||
|
漏气速率(L/s) |
133.3х10-6 |
133.3х10-5 | ||||||||||||||
|
通导能力(L/s) |
48 |
97 |
178 |
260 |
546 |
938 |
1328 |
2611 |
3962 |
6159 |
8535 |
10912 |
13558 |
16202 |
22418 |
41357 |
|
气缸直径 mm |
50 |
63 |
80 |
100 |
125 | |||||||||||
|
适用范围(Pa) |
133.3х10-6 ~ 101х103 | |||||||||||||||
|
介质温度(℃) |
-25~80 | |||||||||||||||
|
电磁换向阀电源 |
220/50 | |||||||||||||||
|
电磁换向阀功率(W) |
10 | |||||||||||||||
|
气源压力(MPa) |
0.4~0.6 | |||||||||||||||
|
启闭时间(S) |
<3 | |||||||||||||||
|
开阀时,阀板两侧压力差(KPa) |
≤101 | |||||||||||||||
零件材料:
GIQ-B/AB型系列高真空气动蝶阀主要零件材料:
|
零件名称 |
阀体和蝶板 |
构件 |
密封垫(阀体、蝶板) |
|
材料 |
碳素钢(镀镍) |
2Cr13 |
丁腈橡胶 |
|
不锈钢 |
不锈钢 |
丁腈橡胶/氟橡胶 |
结构特点:
GIQ-B/AB型系列高真空气动蝶阀主要结构特点:
1、本阀采用三偏心密封结构,阀座与蝶板几乎无磨损,具有越观越紧的密封功能。
2、密封圈选用不锈钢制作,具有金属硬密封和弹性密封的双重优点,无论在低温和高温的情况下,均具有优良的密封性能,具有耐腐蚀,使用寿命长等特点。
3、碟板密封面采用堆焊钴基硬质合金,密封面耐磨损,使用寿命长.
4、大规格蝶板采用绗架结构,强度高,过流面积大,流阻小。
5、本阀具有双向密封功能,安装时不受介质流向的限制,也不受空间位置的影响,可在任何方向安装。
6、驱动装置可以多工位(旋转90°或180°)安装,便于用户使用。

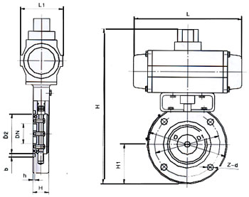
尺寸参数:
GIQ-B/AB型系列高真空气动蝶阀主要尺寸参数:
气动B型真空蝶阀外形连接尺寸及性能参数表
|
型号 |
GIQ |
GIQ |
GIQ |
GIQ |
GIQ |
GIQ |
GIQ |
GIQ |
GIQ |
GIQ | |
|
技术性能 | |||||||||||
|
公称通径(DN) |
50 |
63 |
80 |
100 |
125 |
150 |
200 |
250 |
300 |
400 | |
|
连接尺寸 |
A |
22 |
26 |
30 |
35 |
40 |
45 |
55 |
60 | ||
|
ΦD |
110 |
130 |
145 |
170 |
195 |
220 |
275 |
330 |
380 |
500 | |
|
ΦB |
90 |
110 |
125 |
145 |
170 |
195 |
250 |
300 |
350 |
465 | |
|
n-ΦC |
4-Φ9 |
4-Φ12 |
8-Φ12 |
8-Φ14 |
8-Φ18 | ||||||
|
适用范围(Pa) |
105~6.7x10-4 | ||||||||||
|
漏气率(Pa.L/S) |
6.7X10-4 | ||||||||||
|
电磁阀电压(V/HZ) |
220/50 | ||||||||||
|
气源压力(MPa) |
0.4~0.6 | ||||||||||
|
法兰标准 |
JB919 | ||||||||||
|
安装位置 |
任意 | ||||||||||
|
介质温度(℃) |
丁腈橡胶-25 ~ +80,氟橡胶-30 ~ +150, | ||||||||||
|
主要件材质 |
阀体、阀板 |
碳钢(镀镍)或不锈钢 | |||||||||
|
密封件 |
丁腈橡胶或氟橡胶 | ||||||||||
气动AB型真空蝶阀外形连接尺寸及性能参数表
|
型号 |
GIQ- |
GIQ- |
GIQ- |
GIQ- |
GIQ- |
GIQ- |
GIQ- |
GIQ- |
GIQ- |
GIQ- | |
|
技术性能 | |||||||||||
|
公称通径(DN) |
50 |
63 |
80 |
100 |
125 |
150 |
200 |
250 |
300 |
400 | |
|
连接尺寸 |
A |
26 |
32 |
35 |
45 |
50 |
55 |
60 | |||
|
ΦD |
110 |
130 |
145 |
165 |
200 |
225 |
285 |
335 |
425 |
510 | |
|
ΦB |
90 |
110 |
125 |
145 |
175 |
200 |
260 |
310 |
395 |
480 | |
|
n-ΦC |
4-Φ10.5 |
8-Φ9 |
8-Φ12 .5 |
12-Φ11 |
12-Φ14 |
16-Φ14 | |||||
|
适用范围(Pa) |
105~6.7x10-4 | ||||||||||
|
漏气率(Pa.L/S) |
6.7X10-4 | ||||||||||
|
电磁阀电压(V/HZ) |
220/50 | ||||||||||
|
气源压力(MPa) |
0.4~0.6 | ||||||||||
|
法兰标准 |
GB6070.3-85 | ||||||||||
|
安装位置 |
任意 | ||||||||||
|
介质温度(℃) |
丁腈橡胶-25 ~ +80,氟橡胶-30 ~ +150, | ||||||||||
|
主要件材质 |
阀体、阀板 |
碳钢(镀镍)或不锈钢 | |||||||||
|
密封件 |
丁腈橡胶或氟橡胶 | ||||||||||
订货须知:
1、①产品名称与型号②公称直径③阀体材质④公称压力⑤使用介质⑥连接方式⑦使用温度⑧是否带附件以便我们为您正确选型。
2、如有特殊要求时请在订购产品时注明
3、若已经由设计单位选定的型号,请按型号直接向我司销售部订购。
4、当使用的场合非常重要或环境比较复杂时,请您尽量提供设计图。
企业宣传:
上海飞塔阀门有限公司为阀门业界内的新兴企业,我司本着“更高质量的产品,更优势的价格,更人性化的服务”为企业宗旨,为广大客户倾情服务。上海飞塔专业生产各种规格阀门,产品主广泛用于石油、化工、冶金、电力、制药、给排水等行业,产品深受客服的青睐和好评。公司竭诚欢迎社会各界人士光临咨询,建立长期稳定的合作关系,携手共创辉煌的明天。

