


产品名片:
飞塔阀门生产的D643H气动法兰硬密封蝶阀被广泛用于介质温度≤425℃的治金 、电力、石油化工、以及给排水和市政建设等工业管道上,作调节流量和载断流体使用。采用精密的J形弹性密封圈和三偏心多层次金属硬密封结构,阀座与蝶板密封面均采用不同硬度和不锈钢制作,具有良好的耐腐蚀性,使用寿命长,本阀具有双向密封功能,产品符合国家GB/T13927-92阀门压力试验标准。
蝶板由阀杆带动,若转过90°,便能完成一次启闭。改变蝶板的偏转角度,即可控制介质的流量。常用的蝶阀有对夹式蝶阀和法兰式蝶阀两种。对夹式蝶阀是用双头螺栓将阀门连接在两管道法兰之间,法兰式蝶阀是阀门上带有法兰,用螺栓将阀门上两端法兰连接在管道法兰上。
设计标准:
D643H气动法兰硬密封蝶阀设计与制造标准:
|
检验标准 |
GB/T 13927-92 |
|
结构长度标准 |
GB12221-89 |
|
法兰标准 |
GB9113-2000 |
|
|
JB/T 8527-97 |
性能规范:
D643H气动法兰硬密封蝶阀主要性能规范:
|
公称通经DN(mm) |
50~2000 | |||
|
公称压力PN(MPa) |
0.6 |
1.0 |
1.6 |
2.5 |
|
密封试验(MPa) |
0.66 |
1.1 |
1.76 |
2.75 |
|
强度试验(MPa) |
0.9 |
1.5 |
2.4 |
3.75 |
|
驱动方式 |
蜗轮传动、电动、气动、液动 | |||
|
泄漏率 |
符合GB/T13927-92标准 | |||
|
适用介质 |
D643H型气动法兰蝶阀可适用水、空气、天然气、油品及弱腐蚀性流体 | |||
|
适用温度 |
碳钢:-29℃~425℃ 不锈钢:-40℃~650℃ | |||
零件材料:
D643H气动法兰硬密封蝶阀主要零件材料:
|
零件名称 |
D643H型气动法兰蝶阀零部件选用材料 |
|
阀体 |
WCB、合金钢、不锈钢、QT450-10 |
|
蝶板 |
WCB、合金钢、不锈钢、QT450-10 |
|
填料 |
柔性石墨 |
|
密封圈 |
不锈钢圈 |
|
阀轴 |
2Cr13不锈钢、合金钢 |
结构特点:
D643H气动法兰硬密封蝶阀主要结构特点:
1、本阀采用双偏心结构,具有越关越紧的密封功能,密封性能可靠。
2、密封副材料选用不锈钢和丁腈耐油橡胶配对,使用寿命长。
3、橡胶密封圈即可位于阀体上,也可以位于蝶板上,可适用不同特点的介质,供用户选择。
4、蝶板采用框架结构,强度高,过流面积大,流阻小。
5、整体烤漆、能有效地防止锈蚀且只要更换密封阀座密封材料,就可使用于不同介质。
6、本阀具有双向密封功能,安装时不受介质流向的控制,也不受空间位置的影响,可在任何方向安装。
7、本阀结构独特,操作灵活,省力,方便。<, /P>

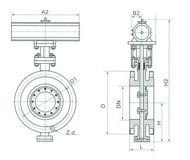
尺寸参数:
D643H气动法兰硬密封蝶阀主要尺寸参数:
|
公称通经(DN) |
主要尺寸 |
法兰尺寸和螺栓规格 | ||||||||||
|
1.0MPa |
1.6MPa |
2.5MPa | ||||||||||
|
L |
H1 |
H |
D |
D1 |
n-Фd |
D |
D1 |
n-Фd |
D |
D1 |
n-Фd | |
|
50 |
108 |
350 |
112 |
165 |
125 |
4-18 |
165 |
125 |
4-18 |
165 |
125 |
4-18 |
|
65 |
112 |
370 |
115 |
185 |
145 |
4-18 |
185 |
145 |
4-18 |
185 |
145 |
8-18 |
|
80 |
114 |
380 |
120 |
200 |
160 |
4-18 |
200 |
160 |
8-18 |
200 |
160 |
8-18 |
|
100 |
127 |
420 |
138 |
220 |
180 |
8-18 |
220 |
180 |
8-18 |
235 |
190 |
8-22 |
|
125 |
140 |
460 |
164 |
250 |
210 |
8-18 |
250 |
210 |
8-18 |
270 |
220 |
8-26 |
|
150 |
140 |
555 |
175 |
285 |
240 |
8-22 |
285 |
240 |
8-22 |
300 |
250 |
8-26 |
|
200 |
152 |
760 |
200 |
340 |
295 |
8-22 |
340 |
295 |
12-22 |
360 |
310 |
12-26 |
|
250 |
165 |
830 |
243 |
395 |
350 |
12-22 |
405 |
355 |
12-26 |
425 |
370 |
12-30 |
|
300 |
178 |
895 |
250 |
445 |
400 |
12-22 |
460 |
410 |
12-26 |
485 |
430 |
16-30 |
|
350 |
190 |
950 |
280 |
505 |
460 |
16-22 |
520 |
470 |
12-26 |
555 |
490 |
16-33 |
|
400 |
216 |
1190 |
305 |
565 |
515 |
16-26 |
580 |
525 |
16-26 |
620 |
550 |
16-36 |
|
450 |
222 |
1255 |
350 |
615 |
565 |
20-26 |
640 |
585 |
16-30 |
670 |
600 |
20-36 |
|
500 |
229 |
1305 |
380 |
670 |
620 |
20-26 |
715 |
650 |
20-30 |
730 |
660 |
20-36 |
|
600 |
267 |
1340 |
445 |
780 |
725 |
20-30 |
840 |
770 |
20-33 |
845 |
770 |
20-39 |
|
700 |
292 |
1520 |
480 |
895 |
840 |
24-30 |
910 |
840 |
24-36 |
960 |
875 |
24-42 |
|
800 |
318 |
1710 |
530 |
1015 |
950 |
24-33 |
1025 |
950 |
24-39 |
1085 |
990 |
24-48 |
|
900 |
330 |
1810 |
580 |
1115 |
1050 |
28-33 |
1125 |
1050 |
28-39 |
1185 |
1090 |
28-48 |
|
1000 |
410 |
1960 |
650 |
1230 |
1160 |
28-36 |
1255 |
1170 |
28-42 |
1320 |
1210 |
28-56 |
|
1200 |
470 |
2250 |
760 |
1455 |
1380 |
32-39 |
1485 |
1390 |
32-48 |
1530 |
1420 |
32-56 |
订货须知:
1、①产品名称与型号②公称直径③阀体材质④公称压力⑤使用介质⑥连接方式⑦使用温度⑧是否带附件以便我们为您正确选型。
2、如有特殊要求时请在订购产品时注明
3、若已经由设计单位选定的型号,请按型号直接向我司销售部订购。
4、当使用的场合非常重要或环境比较复杂时,请您尽量提供设计图。
企业宣传:
上海飞塔阀门有限公司为阀门业界内的新兴企业,我司本着“更高质量的产品,更优势的价格,更人性化的服务”为企业宗旨,为广大客户倾情服务。上海飞塔专业生产各种规格阀门,产品主广泛用于石油、化工、冶金、电力、制药、给排水等行业,产品深受客服的青睐和好评。公司竭诚欢迎社会各界人士光临咨询,建立长期稳定的合作关系,携手共创辉煌的明天。

