


产品名片:
飞塔阀门生产的D371X型对夹式蜗轮传动软密封蝶阀密封可靠,使用寿命长,被广泛用于水厂、电厂、钢厂、造纸、化工、饮食等系统供排水中,作为调节和截止使用。
蝶阀是用圆形蝶板作启闭件并随阀杆转动 来开启、关闭和调节流体通道的一种阀门。蝶阀的蝶板安装于管道的直径方向。在蝶阀阀体圆柱形通道内,圆盘形蝶板绕着轴线旋转,旋转角度为0°~90°之间,旋转到90°时,阀门则程全开状态。
蝶阀的结构特点 蝶阀具有结构简单、体积小、重量轻、材料耗用省,安装尺寸小,开关迅速、90°往复回转,驱动力矩小等特点,用于截断、接通、调节管路中的介质,具有良好的流体控制特性和关闭密封性能。蝶阀处于完全开启位置时,蝶板厚度是介质流经阀体时唯一的阻力,因此通过该阀门所产生的压力降很小,故具有较好的流量控制特性。蝶阀有弹密封和金属的密封两种密封型式。弹性密封阀门,密封圈可以镶嵌在阀体上或附在蝶板周边。 采用金属密封的阀门一般比弹性密封的阀门寿命长,但很难做到完全密封。金属密封能适应较高的工作温度,弹性密封则具有受温度限制的缺陷。 如果要求蝶阀作为流量控制使用,主要的是正确选择阀门的尺寸和类型。蝶阀的结构原理尤其适合制作大口径阀门。
蝶阀不仅在石油、煤气、化工、水处理等一般工业上得到广泛应用,而且还应用于热电站的冷却水系统。 常用的蝶阀有对夹式蝶阀、法兰式蝶阀、对焊式蝶阀三种。对夹式蝶阀是用双头螺栓将阀门连接在两管道法兰之间;法兰式蝶阀是阀门上带有法兰,用螺栓将阀门上两端法兰连接在管道法兰上;对焊式蝶阀的两端面与管道焊接连接。 蝶板的流线形设计,使流体阻力损失小,可谓是一种节能型产品。 阀杆为通杆结构,经过调质处理,有良好的综合力学性能和抗腐蚀性,抗擦伤性。蝶阀启闭时阀杆只作旋转运动而不作升降运行,阀杆的填料不易破坏,密封可靠。与蝶板锥销固定,外伸端为防冲出型设计,以免在阀杆与蝶板连接处意外断裂时阀杆崩出。
设计标准:
D371X型对夹式蜗轮传动软密封蝶阀设计与制造标准:
|
制造标准 |
JB/T 8527-97 |
|
法兰标准 |
GB9113-2000 |
|
结构长度标准 |
GB12221-89 |
|
检验标准 |
GB/T 13927-92 |
性能规范:
D371X型对夹式蜗轮传动软密封蝶阀主要性能规范:
|
公称通经DN(mm) |
50~2000 |
50~1600 | |
|
公称药理PN(MPa) |
0.6 |
1.0 |
1.6 |
|
密封试验(MPa) |
0.66 |
1.1 |
1.76 |
|
强度试验(MPa) |
0.9 |
1.5 |
2.4 |
|
适用温度 |
丁腈橡胶:-40℃~90℃氟橡胶:-20℃~200℃ | ||
|
适用介质 |
水、空气、天然气、油品及弱腐蚀性流体 | ||
|
泄漏率 |
符合GB/T13927-92标准 | ||
|
驱动方式 |
蜗轮传动、电动、气动、液动 | ||
零件材料:
D371X型对夹式蜗轮传动软密封蝶阀主要零件材料:
|
零件名称 |
材料 |
|
阀体 |
WCB、QT450-10、HT200、HT250 |
|
蝶板 |
WCB、QT450-10、HT200、HT250 |
|
阀轴 |
2Cr13 |
|
密封圈 |
丁腈耐油橡胶 |
|
填料 |
柔性石墨 |
结构特点:
D371X型对夹式蜗轮传动软密封蝶阀主要结构特点:
1、本阀采用双偏心结构,具有越关越紧的密封功能,密封性能可靠。
2、密封副材料选用不锈钢和丁腈耐油橡胶配对,使用寿命长。
3、橡胶密封圈即可位于阀体上,也可以位于蝶板上,可适用不同特点的介质,供用户选择。
4、蝶板采用框架结构,强度高,过流面积大,流阻小。
5、整体烤漆、能有效地防止锈蚀且只要更换密封阀座密封材料,就可使用于不同介质。
6、本阀具有双向密封功能,安装时不受介质流向的控制,也不受空间位置的影响,可在任何方向安装。
7、本阀结构独特,操作灵活,省力,方便。

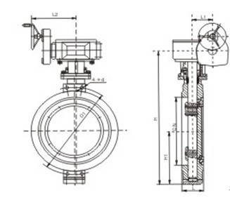
尺寸参数:
D371X型对夹式蜗轮传动软密封蝶阀主要尺寸参数:
|
DN |
L |
H |
HO |
A |
B |
0.6MPa |
1.0MPa |
1.6MPa | |||
|
DO |
n-d |
DO |
n-d |
DO |
n-d | ||||||
|
50 |
43 |
63 |
306 |
180 |
200 |
110 |
4-14 |
125 |
4-18 |
125 |
4-18 |
|
65 |
46 |
70 |
321 |
180 |
200 |
130 |
4-14 |
145 |
4-18 |
145 |
4-18 |
|
80 |
46 |
83 |
346 |
180 |
200 |
150 |
4-18 |
160 |
8-18 |
160 |
8-18 |
|
100 |
52 |
105 |
387 |
180 |
200 |
170 |
4-18 |
180 |
8-18 |
180 |
8-18 |
|
125 |
56 |
115 |
411 |
180 |
200 |
200 |
8-18 |
210 |
8-18 |
210 |
8-18 |
|
150 |
56 |
137 |
447 |
270 |
280 |
225 |
8-18 |
240 |
8-22 |
240 |
8-22 |
|
200 |
60 |
164 |
572 |
270 |
280 |
280 |
8-18 |
295 |
8-22 |
295 |
8-22 |
|
250 |
68 |
206 |
646 |
270 |
280 |
335 |
12-18 |
350 |
12-22 |
355 |
12-26 |
|
300 |
78 |
230 |
738 |
380 |
420 |
395 |
12-22 |
400 |
12-22 |
410 |
12-26 |
|
350 |
78 |
248 |
761 |
380 |
420 |
445 |
12-22 |
460 |
16-22 |
470 |
16-26 |
|
400 |
102 |
289 |
877 |
450 |
470 |
495 |
16-22 |
515 |
16-26 |
525 |
16-30 |
|
450 |
114 |
320 |
938 |
480 |
490 |
550 |
16-22 |
565 |
20-26 |
585 |
20-30 |
|
500 |
127 |
343 |
993 |
480 |
490 |
600 |
20-22 |
620 |
20-26 |
650 |
20-33 |
|
600 |
154 |
413 |
1131 |
480 |
490 |
705 |
20-26 |
725 |
20-30 |
770 |
20-36 |
|
700 |
165 |
478 |
1476 |
640 |
660 |
810 |
24-26 |
840 |
24-30 |
840 |
24-36 |
|
800 |
190 |
525 |
1533 |
640 |
660 |
920 |
24-30 |
950 |
24-33 |
950 |
24-39 |
|
900 |
203 |
585 |
1655 |
750 |
860 |
1020 |
24-30 |
1050 |
28-33 |
1050 |
38-39 |
|
1000 |
216 |
640 |
1765 |
850 |
900 |
1120 |
28-30 |
1160 |
28-36 |
1170 |
28-42 |
|
1200 |
254 |
755 |
1995 |
850 |
900 |
1340 |
32-33 |
1380 |
32-39 |
1390 |
32-48 |
订货须知:
1、①产品名称与型号②公称直径③阀体材质④公称压力⑤使用介质⑥连接方式⑦使用温度⑧是否带附件以便我们为您正确选型。
2、如有特殊要求时请在订购产品时注明
3、若已经由设计单位选定的型号,请按型号直接向我司销售部订购。
4、当使用的场合非常重要或环境比较复杂时,请您尽量提供设计图。
企业宣传:
上海飞塔阀门有限公司为阀门业界内的新兴企业,我司本着“更高质量的产品,更优势的价格,更人性化的服务”为企业宗旨,为广大客户倾情服务。上海飞塔专业生产各种规格阀门,产品主广泛用于石油、化工、冶金、电力、制药、给排水等行业,产品深受客服的青睐和好评。公司竭诚欢迎社会各界人士光临咨询,建立长期稳定的合作关系,携手共创辉煌的明天。

