


产品名片:
飞塔阀门生产的D371X3加长杆蝶阀蝶阀启闭件是一个圆盘形的蝶板,在阀体内绕其自身的轴线旋转,从而达到启闭或调节的作用。蝶阀结构简单、体积小、重量轻,只由少数几个零件组成,而且蝶阀采用适应的材料可以满足低、中、高不同介质温度及腐蚀性介质的使用,并且具有较好的流量控制特性。蝶阀被广泛用于治金、电力、石油化工以及给排水和市政建设等工业管道上,作调节流量和载断流体使用。
蝶阀全开到全关通常是小于90°,蝶板和蝶杆本身没有自锁有力,为了蝶板的定位,要在阀杆上加装蜗轮减速器。采用蜗轮减速器,不仅可以使蝶板具有自锁能力,使蝶板停止在任意位置上,还能改善阀门的操作性能。工业专用蝶阀的特点能耐高温,适用压力范围也较高,阀门公称通径大,阀体采用碳钢制造,阀板的密封圈采用金属环代替橡胶环。大型高温蝶阀采用钢板焊接制造,主要用于高温介质的烟风道和煤气管道。
蝶阀是用圆形蝶板作启闭件并随阀杆转动 来开启、关闭和调节流体通道的一种阀门。蝶阀的蝶板安装于管道的直径方向。在蝶阀阀体圆柱形通道内,圆盘形蝶板绕着轴线旋转,旋转角度为0°~90°之间,旋转到90°时,阀门则程全开状态。
蝶阀的结构特点 蝶阀具有结构简单、体积小、重量轻、材料耗用省,安装尺寸小,开关迅速、90°往复回转,驱动力矩小等特点,用于截断、接通、调节管路中的介质,具有良好的流体控制特性和关闭密封性能。蝶阀处于完全开启位置时,蝶板厚度是介质流经阀体时唯一的阻力,因此通过该阀门所产生的压力降很小,故具有较好的流量控制特性。蝶阀有弹密封和金属的密封两种密封型式。弹性密封阀门,密封圈可以镶嵌在阀体上或附在蝶板周边。 采用金属密封的阀门一般比弹性密封的阀门寿命长,但很难做到完全密封。金属密封能适应较高的工作温度,弹性密封则具有受温度限制的缺陷。 如果要求蝶阀作为流量控制使用,主要的是正确选择阀门的尺寸和类型。蝶阀的结构原理尤其适合制作大口径阀门。
蝶阀不仅在石油、煤气、化工、水处理等一般工业上得到广泛应用,而且还应用于热电站的冷却水系统。 常用的蝶阀有对夹式蝶阀、法兰式蝶阀、对焊式蝶阀三种。对夹式蝶阀是用双头螺栓将阀门连接在两管道法兰之间;法兰式蝶阀是阀门上带有法兰,用螺栓将阀门上两端法兰连接在管道法兰上;对焊式蝶阀的两端面与管道焊接连接。 蝶板的流线形设计,使流体阻力损失小,可谓是一种节能型产品。 阀杆为通杆结构,经过调质处理,有良好的综合力学性能和抗腐蚀性,抗擦伤性。蝶阀启闭时阀杆只作旋转运动而不作升降运行,阀杆的填料不易破坏,密封可靠。与蝶板锥销固定,外伸端为防冲出型设计,以免在阀杆与蝶板连接处意外断裂时阀杆崩出。
设计标准:
D371X3加长杆蝶阀蝶阀设计与制造标准:
|
制造标准 |
JB/T 8527-97 |
|
法兰标准 |
GB9113-2000 |
|
结构长度标准 |
GB12221-89 |
|
检验标准 |
GB/T 13927-92 |
性能规范:
D371X3加长杆蝶阀蝶阀主要性能规范:
|
主要性能规范 | ||||||
|
公称通径 |
DN(mm) |
50~1200 | ||||
|
公称压力 |
PN(MPa) |
0.6 |
1.0 |
1.6 |
2.5 |
4.0 |
|
试验压力 |
强度试验 |
0.9 |
1.5 |
2.4 |
3.75 |
6.0 |
|
密封试验 |
0.66 |
1.1 |
1.76 |
2.75 |
4.4 | |
|
气密封试验 |
0.6 |
0.6 |
0.6 |
0.6 |
0.6 | |
|
适用介质 |
水、蒸气、油品、酸类腐蚀性等。 | |||||
|
适用温度 |
碳钢:-29℃~425℃ 不锈钢-40℃~600℃ | |||||
零件材料:
D371X3加长杆蝶阀蝶阀主要零件材料:
|
零件名称 |
材料 |
|
阀体 |
铸铁、铸钢、不锈钢、铬钼钢、合金钢 |
|
蝶板 |
铸钢、合金钢(镀硬铬)、不锈钢、铬钼钢 |
|
密封圈 |
不锈钢、聚内脂、抗磨材料 |
|
阀杆 |
2Cr13、1Cr13不锈钢、铬钼钢 |
|
填料 |
柔性石墨 |
结构特点:
D371X3加长杆蝶阀蝶阀主要结构特点:
1、本阀采用双偏心结构,具有越关越紧的密封功能,密封性能可靠。
2、密封副材料选用不锈钢和丁腈耐油橡胶配对,使用寿命长。
3、橡胶密封圈即可位于阀体上,也可以位于蝶板上,可适用不同特点的介质,供用户选择。
4、蝶板采用框架结构,强度高,过流面积大,流阻小。
5、整体烤漆、能有效地防止锈蚀且只要更换密封阀座密封材料,就可使用于不同介质。
6、本阀具有双向密封功能,安装时不受介质流向的控制,也不受空间位置的影响,可在任何方向安装。
7、本阀结构独特,操作灵活,省力,方便。

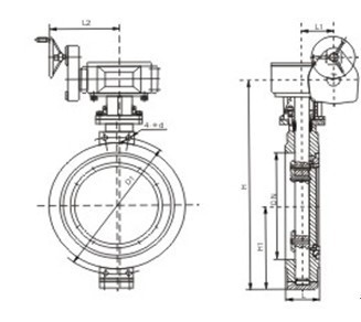
尺寸参数:
D371X3加长杆蝶阀蝶阀主要尺寸参数:
|
通径 |
结构长度(标准值) |
外形尺寸(参考值) |
连接尺寸(标准值) | |||||||||||||
|
L |
H |
Dt343H |
Dt643H |
Dt943H |
PN4.0MPa | |||||||||||
|
毫米 |
英寸 |
短 |
长 |
H1 |
A1 |
B1 |
H2 |
A2 |
B2 |
H3 |
A3 |
B3 |
D |
D1 |
Z-d | |
|
50 |
2 |
108 |
150 |
112 |
350 |
180 |
200 |
|
|
|
530 |
250 |
255 |
165 |
125 |
4-18 |
|
65 |
21/2 |
112 |
170 |
115 |
370 |
180 |
200 |
625 |
355 |
92 |
550 |
250 |
255 |
185 |
145 |
8-18 |
|
80 |
3 |
114 |
180 |
120 |
380 |
180 |
200 |
625 |
355 |
92 |
565 |
250 |
255 |
200 |
160 |
8-18 |
|
100 |
4 |
127 |
190 |
138 |
420 |
180 |
200 |
645 |
355 |
92 |
600 |
250 |
255 |
235 |
190 |
8-22 |
|
125 |
5 |
140 |
200 |
164 |
460 |
180 |
200 |
675 |
550 |
138 |
640 |
250 |
255 |
270 |
220 |
8-26 |
|
150 |
6 |
140 |
210 |
175 |
555 |
270 |
280 |
715 |
550 |
138 |
705 |
300 |
315 |
300 |
250 |
8-26 |
|
200 |
8 |
152 |
230 |
208 |
605 |
270 |
280 |
800 |
550 |
138 |
775 |
300 |
315 |
375 |
320 |
12-30 |
|
250 |
10 |
165 |
250 |
243 |
680 |
270 |
280 |
850 |
550 |
138 |
945 |
300 |
315 |
450 |
385 |
12-33 |
|
300 |
12 |
178 |
270 |
283 |
800 |
380 |
420 |
925 |
450 |
220 |
1070 |
300 |
315 |
515 |
450 |
16-33 |
|
350 |
14 |
190 |
290 |
310 |
830 |
380 |
420 |
1035 |
450 |
220 |
1140 |
300 |
315 |
580 |
510 |
16-36 |
|
400 |
16 |
216 |
310 |
340 |
915 |
450 |
470 |
1070 |
650 |
280 |
1210 |
300 |
315 |
660 |
585 |
16-39 |
|
450 |
18 |
222 |
330 |
380 |
960 |
480 |
490 |
1190 |
650 |
280 |
1335 |
575 |
714 |
685 |
610 |
20-39 |
|
500 |
20 |
229 |
350 |
410 |
1020 |
480 |
490 |
|
|
|
1415 |
575 |
714 |
755 |
670 |
20-42 |
订货须知:
1、①产品名称与型号②公称直径③阀体材质④公称压力⑤使用介质⑥连接方式⑦使用温度⑧是否带附件以便我们为您正确选型。
2、如有特殊要求时请在订购产品时注明
3、若已经由设计单位选定的型号,请按型号直接向我司销售部订购。
4、当使用的场合非常重要或环境比较复杂时,请您尽量提供设计图。
企业宣传:
上海飞塔阀门有限公司为阀门业界内的新兴企业,我司本着“更高质量的产品,更优势的价格,更人性化的服务”为企业宗旨,为广大客户倾情服务。上海飞塔专业生产各种规格阀门,产品主广泛用于石油、化工、冶金、电力、制药、给排水等行业,产品深受客服的青睐和好评。公司竭诚欢迎社会各界人士光临咨询,建立长期稳定的合作关系,携手共创辉煌的明天。

