


产品名片:
飞塔阀门生产的Q11F两片式丝口球阀的主要特点是空气、蒸汽、水、气体、石油和石化产品、腐蚀性介质等,广泛用于石油、化工、冶金、轻工、造纸、电站、制冷等工作领域。一片式球阀产品具有结构紧凑、外形精美、智能控制、性能卓越、品质优良、使用方便等诸多特点。一片式球阀为手动操作转角为90°旋转类球阀,密封性能优良,流通能力大,流阻系数小,结构简单、维修简单、使用寿命长。一片式球阀通常应用密封要求严格场合,除控制气体、液体、蒸汽介质外,还适宜控制污水和含有纤维性杂质的介质。
两片式牙口球阀也适用于轻型结构、低压截止(压差小)、腐蚀性介质的管路系统中。
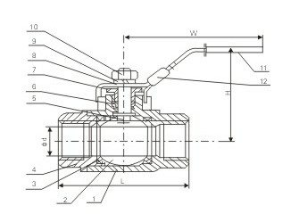
1、流道:全口径或缩径
2、左、右壳体为锻钢或铸钢
3、用内螺纹压紧阀座
4、阀杆防吹出结构
5、螺纹连接
球阀它具有旋转90度的动作,旋塞体为球体,有圆形通孔或通道通过其轴线。球阀在管路中主要用来做切断、分配和改变介质的流动方向,它只需要用旋转90度的操作和很小的转动力矩就能关闭严密。球阀最适宜做开关、切断阀使用,但近来的发展已将球阀设计成使它具有节流和控制流量之用,如V型球阀。
一、开启过程
1在关闭位置,球体受阀杆的机械施压作用,紧压在阀座上。
2当逆时针转动手轮时,阀杆则反向运动,其底部角形平面使球体脱开阀座。
3阀杆继续提升,并与阀杆螺旋槽内的导销相互作用,使球体开始无摩擦地旋转。
4直至到全开位置,阀杆提升到极限位置,球体旋转到全开位置。
二、关闭过程
1关闭时,顺时针旋转手轮,阀杆开始下降并使球体离开阀座开始旋转。
2继续旋转手轮,阀杆受到嵌于其上螺旋槽内的导销的作用,使阀杆和球体同时旋转90°。
3 快要关闭时,球体已在与阀座无接触的情况下旋转了90°。
4手轮转动的最后几圈,阀杆底部的角形平面机械地楔向压迫球体,使其紧密地压在阀座上,达到完全密封。
设计标准:
Q11F两片式丝口球阀设计与制造标准:
1)、产品标准
《通用阀门法兰和对焊连接钢制球阀》GB/T12237-89
《铁制和铜制球阀》GB/T 15185-1994
《钢制阀门 一般要求》GB/T 12224-2005
《生活饮用水输配水设备及防护材料的安全性评价标准》 GB/T 17219-1998
2)、工程标准
《建筑给水排水及采暖工程施工质量验收规范》GB 50242-2002
《通风与空调工程施工质量验收规范》GB 50243-2002
性能规范:
Q11F两片式丝口球阀主要性能规范:
应用规范
公称压力:1.6-6.4MPa
适用温度范围:-20~232℃~350℃
适用介质:水、油、气及某些腐蚀性液体W.O.G
适用范围:啤酒、饮料、 乳品、制药、生物工程等
零件材料:
Q11F两片式丝口球阀主要零件材料:
|
序号 |
零件名称 |
材质 | |
|
不锈钢 |
碳钢 | ||
|
1 |
阀体 |
不锈钢CF8M |
碳钢WCB |
|
2 |
球体 |
不锈钢SS316 |
不锈钢SS304 |
|
3 |
密封圈 |
聚四氟乙烯PTFE |
聚四氟乙烯PTFE |
|
4 |
密封垫 |
聚四氟乙烯PTFE |
聚四氟乙烯PTFE |
|
5 |
阀盖 |
不锈钢CF8M |
碳钢WCB |
|
6 |
阀杆 |
不锈钢SS316 |
不锈钢SS304 |
|
7 |
止推垫圈 |
聚四氟乙烯PTFE |
聚四氟乙烯PTFE |
|
8 |
填料 |
聚四氟乙烯PTFE |
聚四氟乙烯PTFE |
|
9 |
<, P class=MsoNormal>填料压盖螺母 |
不锈钢SS304 |
不锈钢SS304 |
|
10 |
手柄 |
不锈钢SS304 |
不锈钢SS304 |
|
11 |
垫圈 |
不锈钢SS304 |
不锈钢SS304 |
|
12 |
阀杆螺母 |
不锈钢SS304 |
不锈钢SS304 |
|
13 |
手柄套 |
塑料 |
塑料 |
结构特点:
Q11F两片式丝口球阀主要结构特点:
1.流体阻力小,全通径的球阀基本没有流阻。
2.结构简单、体积小、重量轻。
3.紧密可靠。它有两个密封面,而且目前球阀的密封面材料广泛使用各种塑料,密封性好,能实现完全密封。在真空系统中也已广泛使用。
4.操作方便,开闭迅速,从全开到全关只要旋转90°,便于远距离的控制。
5.维修方便,球阀结构简单,密封圈一般都是活动的,拆卸更换都比较方便。
6.在全开或全闭时,球体和阀座的密封面与介质隔离,介质通过时,不会引起阀门密封面的侵蚀。
7.适用范围广,通径从小到几毫米,大到几米,从高真空至高压力都可应用。
8.由于球阀在启闭过程中有擦拭性,所以可用于带悬浮固体颗粒的介质中。
尺寸参数:
Q11F两片式丝口球阀主要尺寸参数:
|
SIZE |
1/4" |
3/8" |
1/2" |
3/4" |
1" |
1-1/4" |
1-1/2" |
2" |
|
D |
5.0 |
7.0 |
9.2 |
12.5 |
15.0 |
20.0 |
24.5 |
32 |
|
L |
40 |
45 |
56.5 |
60 |
72 |
78 |
85 |
100 |
|
H |
35 |
37 |
43.5 |
47 |
50 |
57 |
69 |
74.5 |
|
E |
64 |
70 |
90 |
90 |
103 |
103 |
127 |
127 |

订货须知:
1、①产品名称与型号②公称直径③阀体材质④公称压力⑤使用介质⑥连接方式⑦使用温度⑧是否带附件以便我们为您正确选型。
2、如有特殊要求时请在订购产品时注明
3、若已经由设计单位选定的型号,请按型号直接向我司销售部订购。
4、当使用的场合非常重要或环境比较复杂时,请您尽量提供设计图。
企业宣传:
上海飞塔阀门有限公司为阀门业界内的新兴企业,我司本着“更高质量的产品,更优势的价格,更人性化的服务”为企业宗旨,为广大客户倾情服务。上海飞塔专业生产各种规格阀门,产品主广泛用于石油、化工、冶金、电力、制药、给排水等行业,产品深受客服的青睐和好评。公司竭诚欢迎社会各界人士光临咨询,建立长期稳定的合作关系,携手共创辉煌的明天。

