


产品名片:
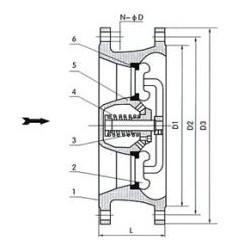
CVKR静音式止回阀采用符合水力学的轮廓设计,取得较佳的流线型水路,内部附有导流体的设计能保证最小的压力损失。静音式止回阀安装于水泵出口处,可在水流倒流前先行快速关闭,避免产生水锤、水击声和破坏型冲击,以达到静音、防止倒流和保护设备的目的。广泛用于给排水、消防、暖通、工业等系统。
启闭件靠介质流动和力量自行开启或关闭,以防止介质倒流的阀门叫止回阀。止回阀属于自动阀类,主要用于介质单向流动的管道上,只允许介质向一个方向流动,以防止发生事故。
设计标准:
CVKR静音式止回阀主要技术参数:
公称压力:1.0~2.5MPa
公称通经:300~1200mm
适用介质:水、油品、海水、污水
适用温度:0~80℃
法兰标准:GB/T 17241.6 GB/T 9113
试验标准:GB/T 13927 AP 1598
零件材料:
CVKR静音式止回阀主要零部件材料:
|
零件名称 |
阀体 |
阀盘 |
轴承 |
弹簧 |
导流体 |
阀座 |
|
材质 |
GG25 |
ZQA19-4 |
ZQA19-4 |
SUS316 |
GG25 |
ZQA19-4 |
尺寸参数:
CVKR静音式止回阀主要外形连接尺寸 :
|
DN |
300 |
350 |
400 |
450 |
500 |
600 |
700 |
800 |
900 |
1000 |
1200 |
|
L |
181 |
184 |
191 |
203 |
219 |
222 |
280 |
356 |
368 |
432 |
524 |
单位:mm

订货须知:
1、①产品名称与型号②公称直径③阀体材质④公称压力⑤使用介质⑥连接方式⑦使用温度⑧是否带附件以便我们为您正确选型。
2、如有特殊要求时请在订购产品时注明
3、若已经由设计单位选定的型号,请按型号直接向我司销售部订购。
4、当使用的场合非常重要或环境比较复杂时,请您尽量提供设计图。
企业宣传:
上海飞塔阀门有限公司为阀门业界内的新兴企业,我司本着“更高质量的产品,更优势的价格,更人性化的服务”为企业宗旨,为广大客户倾情服务。上海飞塔专业生产各种规格阀门,产品主广泛用于石油、化工、冶金、电力、制药、给排水等行业,产品深受客服的青睐和好评。公司竭诚欢迎社会各界人士光临咨询,建立长期稳定的合作关系,携手共创辉煌的明天。

