


产品名片:
H42W立式止回阀正常处于关闭状态,由于管线中进口端介质的压力作用,而克服弹簧阻力使阀门开启。当进口端介质压力低于出口端时,弹簧将阀芯推向阀座而使阀门关闭,阻止介质逆流,故起止回作用。由于采用弹簧支撑阀芯,故采用立式安装或卧式装均可。
立式止回阀具有以下两个优特点:
1、立体式止回阀有法兰和对夹之分,具有结构简单,零部件少,分量轻等特点。立式止回阀主要用于需防止介质倒流的各种工况场合。
2、立式止回阀用于立式安装时可不设弹簧,利用阀瓣自身的重量及流体回流的压力起止回作用
设计标准:
H42W立式止回阀设计标准;
|
型号 |
公称压力 |
试验压力P3(MPa) |
适用温度(℃) |
适用介质 | |
|
壳体 |
密封 | ||||
|
H42W-16C |
1.6 |
2.4 |
1.76 |
≤425 |
水、油品 |
|
H42W-16P |
≤200 |
弱腐蚀介质 | |||
|
H42W-25P |
2.5 |
3.75 |
2.75 | ||
|
H42W-25R |
腐蚀性介质 | ||||
|
H42W-40P |
4.0 |
6.0 |
4.4 |
弱腐蚀性介质 | |
|
H42W-40R |
腐蚀性介质 | ||||
|
H42Y-40 |
水、油品 | ||||
零件材料:
H42W立式止回阀主要零件材料及性能;
|
零件名称 |
阀体、阀瓣 |
导向阀 |
密封面 |
|
H42W-16C |
碳钢 |
碳钢 |
碳钢 |
|
H42W-16P |
铬镍钛不锈钢 |
铬镍钛不锈钢 |
铬镍钛不锈钢 |
|
H42W-25P | |||
|
H42W-40P | |||
|
H42W-25R |
铬镍钼钛不锈钢 |
铬镍钼钛不锈钢 |
铬镍钼钛不锈钢 |
|
H42W-40R | |||
|
H42Y-40 |
碳钢 |
碳钢 |
堆焊硬质合金 |
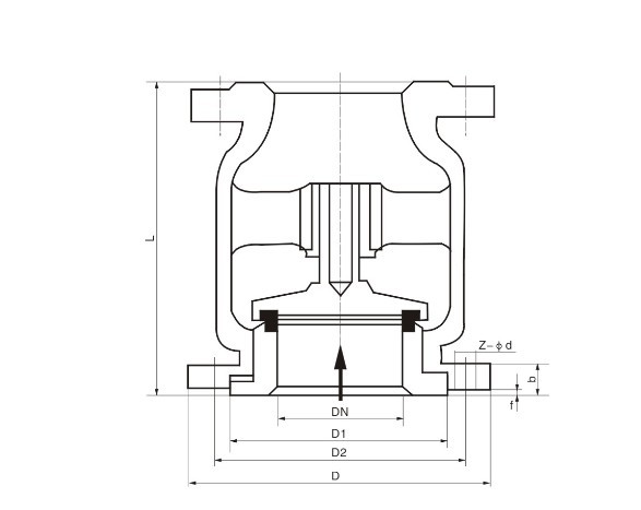
外形尺寸:
H42W立式止回阀主要技术尺寸:
|
型号 |
公称通径 |
H42W型立式止回阀尺寸(mm) | ||||||||
|
L |
D |
D1 |
D2 |
b |
f |
Z-Φ | ||||
|
系列1 |
系列2 |
系列3 | ||||||||
|
H42W-25P H42W-25R |
15 |
- |
85 |
85 |
95 |
65 |
45 |
16 |
- |
4-Φ14 |
|
20 |
- |
95 |
95 |
105 |
75 |
55 |
16 |
- |
4-Φ14 | |
|
25 |
- |
100 |
105 |
115 |
85 |
65 |
16 |
- |
4-Φ14 | |
|
32 |
- |
105 |
150 |
135 |
100 |
78 |
16 |
- |
4-Φ14 | |
|
40 |
- |
115 |
160 |
145 |
110 |
88 |
18 |
- |
4-Φ14 | |
|
50 |
140 |
125 |
170 |
160 |
125 |
100 |
20 |
3 |
4-Φ14 | |
|
65 |
160 |
145 |
180 |
180 |
145 |
120 |
22 |
3 |
8-Φ18 | |
|
80 |
185 |
155 |
200 |
195 |
160 |
135 |
22 |
3 |
8-Φ18 | |
|
100 |
210 |
210 |
210 |
230 |
190 |
160 |
24 |
3 |
8-Φ23 | |
|
125 |
- |
275 |
275 |
275 |
220 |
188 |
28 |
3 |
8-Φ25 | |
|
150 |
300 |
225 |
300 |
300 |
250 |
218 |
30 |
3 |
8-Φ25 | |
|
200 |
380 |
380 |
380 |
360 |
310 |
278 |
34 |
3 |
12-Φ25 | |

订货须知:
1、①产品名称与型号②公称直径③阀体材质④公称压力⑤使用介质⑥连接方式⑦使用温度⑧是否带附件以便我们为您正确选型。
2、如有特殊要求时请在订购产品时注明
3、若已经由设计单位选定的型号,请按型号直接向我司销售部订购。
4、当使用的场合非常重要或环境比较复杂时,请您尽量提供设计图。
企业宣传:
上海飞塔阀门有限公司为阀门业界内的新兴企业,我司本着“更高质量的产品,更优势的价格,更人性化的服务”为企业宗旨,为广大客户倾情服务。上海飞塔专业生产各种规格阀门,产品主广泛用于石油、化工、冶金、电力、制药、给排水等行业,产品深受客服的青睐和好评。公司竭诚欢迎社会各界人士光临咨询,建立长期稳定的合作关系,携手共创辉煌的明天。

